东风标致307近光灯型号,东风标致307灯光自动亮
来源:12123违章查询网 时间: 2023-03-05 14:58
车辆及故障描述 ▼
2004年产东风标致307汽车,搭载和AL4,行驶约13万千米。该车前照灯有时无。
故障 ▼
连接仪,读取转向盘模块和智能控制盒BSI1的故障码,无故障码存储。于是怀疑前照灯电路中可能有接触不良的地方。
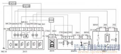
由于灯光控制部分比较复杂,模块、智能控制盒BSI1以及发动机室伺服控制盒BM34都参与了控制。为了更快地找出故障原因,查看(下图),右前照灯2615的插接件端子6通过远光灯线2802与到室伺服控制盒BM34的16VGR灰色插头端子6连接,由熔丝F12控制供电;左前照灯2610的插接件端子6通过远光灯线2801与到发动机室伺服控制盒BM34的16VGR灰色插头端子7连接,由熔丝F11控制供电;熔丝F12和F11的由BM34的内部提供。
东风标致307汽车前照灯电路 2615—右前照灯;2610—左前照灯;BM34—发动机室伺服控制盒;BS11—智能控制盒
室伺服控制盒BM34的16VGR灰色插头。打开发动机室盖后,发现发动机室伺服控制盒BM34上原有的防水防尘盖没有了,而且发动机室伺服控制盒BM34上几个插头都出现了绿色的水锈。拔下发动机室控制盒BM34的16VGR灰色插头,发现端子已经锈迹斑斑。由于发动机室伺服控制盒BM34的防水防尘盖丢失,在清洗车身和发动机室时BM34插头进水,导致远光灯出现故障。
更换发动机室伺服控制盒BM34,并新的防水防尘盖,故障排除。
2004年产东风标致307汽车,搭载和AL4,行驶约13万千米。该车前照灯有时无。
故障 ▼
连接仪,读取转向盘模块和智能控制盒BSI1的故障码,无故障码存储。于是怀疑前照灯电路中可能有接触不良的地方。
由于灯光控制部分比较复杂,模块、智能控制盒BSI1以及发动机室伺服控制盒BM34都参与了控制。为了更快地找出故障原因,查看(下图),右前照灯2615的插接件端子6通过远光灯线2802与到室伺服控制盒BM34的16VGR灰色插头端子6连接,由熔丝F12控制供电;左前照灯2610的插接件端子6通过远光灯线2801与到发动机室伺服控制盒BM34的16VGR灰色插头端子7连接,由熔丝F11控制供电;熔丝F12和F11的由BM34的内部提供。
东风标致307汽车前照灯电路 2615—右前照灯;2610—左前照灯;BM34—发动机室伺服控制盒;BS11—智能控制盒
室伺服控制盒BM34的16VGR灰色插头。打开发动机室盖后,发现发动机室伺服控制盒BM34上原有的防水防尘盖没有了,而且发动机室伺服控制盒BM34上几个插头都出现了绿色的水锈。拔下发动机室控制盒BM34的16VGR灰色插头,发现端子已经锈迹斑斑。由于发动机室伺服控制盒BM34的防水防尘盖丢失,在清洗车身和发动机室时BM34插头进水,导致远光灯出现故障。
更换发动机室伺服控制盒BM34,并新的防水防尘盖,故障排除。
下一篇: 宝马五系有敞篷的吗(宝马5系车身尺寸)